DX230電源保護器
DX230電源保護器是一種智能型電源保護器件,采用微控制器和數字處理技術,集電壓顯示、過欠壓保護、缺相保護和相序保護功能于一體,中文液晶顯示,具有操作簡便、體積小巧、可靠性高等特點。DX230電源保護器可廣泛應用于各種低壓電器控制系統,替代傳統的相序繼電器和過欠壓保護器。
|
參 數 |
型 號 |
|
電源電壓 |
三相 280V ~ 450V AC |
|
電壓測量精度 |
± 1% |
|
輸出觸點容量 |
2A/250VAC |
|
工作環境 |
溫度 -20 ℃~ 70 ℃, 濕度 <85% ,無凝露 |
在正常顯示時,液晶顯示屏中間顯示的是當前的電源電壓值 (AB 相之間的電壓 ) 。
當發生電源過欠壓、缺相、錯相等故障時,液晶顯示屏閃爍顯示 “過壓”、“欠壓”、“缺相”、“錯相”等字樣,繼電器輸出觸點斷開,同時發出聲光報警,可按任意鍵消除告警音。
按住 “ Sel ”鍵 2 秒,液晶顯示屏上顯示“設定”和“過壓”字樣,這時用“▲ ”或“▼ ”鍵改變過電壓設定值(“▲”鍵增 1V ,“▼”鍵減 1V ,按住不放超過 0.5 秒則快速增減)。再按一次“ Sel ”鍵可按同樣方法設置欠電壓值,完成后再按“ Sel ”鍵退出設置狀態。 ( 注:過欠壓值也可用內部參數 F11 和 F12 設置,效果是一樣的。 )
過壓值設到最大會顯示 “ OFF ”,表示關閉過壓告警功能;欠壓值設到最小會顯示“ OFF ”,表示關閉欠壓告警功能,水泥制品。
在顯示電壓狀態,長按 “▲ ”鍵 5 秒,可進入參數設置狀態,這時顯示器上顯示“ Fxx ”,其中 xx 是兩位數字,表示參數代碼。用“▲ ”或“▼ ”鍵可選擇參數代碼,按“ Sel ”鍵則顯示該參數代碼對應的參數值,這時再用“▲ ”或“▼ ”鍵即可對參數值進行設置,設置完成后再按“ Sel ”鍵,回到顯示參數代碼狀態。
內部參數代碼如下表所示:
|
類別 |
代碼 |
參數名稱 |
設定范圍 |
出廠設定 |
單位 |
備注 |
|
電壓 設定類 |
F11 |
過電壓設定值 |
200 – 500 OFF |
437 |
V |
當電壓≥437V時產生告警,≤435V時恢復;當電壓≤304V時產生欠壓告警,≥306V時恢復。“OFF”表示關閉過壓或欠壓告警功能 |
|
F12 |
欠電壓設定值 |
OFF 150 – 380 |
304 |
V |
||
|
F13 |
過欠壓恢復回差 |
1 – 20 |
2 |
V |
||
|
動作時間設定類 |
F21 |
過欠壓動作時間 |
0.1 – 20 |
5.0 |
秒 |
各類故障需要持續設定的時間才會產生作用。缺相或錯相動作時間設定“OFF”表示關閉缺相或錯相告警功能 |
|
F22 |
缺相動作時間 |
0.1 – 20 OFF |
3.0 |
秒 |
||
|
F23 |
錯相動作時間 |
0.1 – 20 OFF |
2.0 |
秒 |
||
|
其他 |
F90-F98 |
廠家保留 |
||||
|
End |
退出設置 |
— |
||||


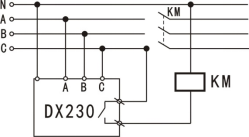
接線圖注: